门禁梯控系列 上一页 下一页

产品简介

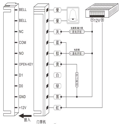
ID单门门禁控制器(以下简称控制器)内置高微处理器,抗干扰能力强,安全性和可靠性极高等综合特点,是目前单门门禁市场上最具性价比的单门控制器。具有功耗低,夜光键盘,独立密码,WG26/34输入,开门按纽,门铃接口等功能,可定制数据拷贝、无线授权功能。超大有效卡容量(高达10万张卡),读卡速度快至0.1秒,IP65级防水处理,适用于办公室,住宅小区及所有公共场所。

应用领域

大型门禁系统工程、一卡通系统

政府机关、科研机构、厂矿、企业、智能大厦、写字楼、办公楼

智能小区、高档别墅、出租屋、通讯机房、银行金融机构、金库

军事设施、监狱、地铁交通、机场、车站、闸门控制、院校学府、医院、宾馆酒店

超低功耗:待机电流小于80mA;

夜光键盘:夜晚可操作键盘;

用户容量大:10万张有效卡或者密码用户;

读卡速度快:刷卡开门时间小于0.1秒;

外接接口:带WG26/WG34输入功能;

卡片识别类型:EM卡,MF1卡,市民卡,公交卡、深圳通

带闪付功能的银行卡等卡片,各种卡片同时兼容;

防护等级:经特殊防水处理,防水级别达到IP65级;

无线操作:可定制2.4G无线操作器,实现控制器各项功能操作及数据备份及拷贝功能